Visual Guide Simplified Diagram of Simplicity Snowblower Parts

Simplicity Snowblower Parts Diagram. Simplicity 860 SE (1691900) Simplicity 24" Snow Thrower, 8hp (SN Filter results by part category, part title and lawn mower symptoms L 1226 E (1695986) - Simplicity 26" Snow Thrower, 11.5hp > Parts Diagrams (9) Auger Drive Group - Medium Duty

Simplicity 860 SE (1691900) Simplicity 24" Snow Thrower, 8hp (SN
Simplicity 860 SE (1691900) Simplicity 24" Snow Thrower, 8hp (SN from www.partstree.com

Simplicity 24" Snow Thrower, 8hp Parts Lookup with Diagrams - Select Your Model (2) Hide Repair parts and diagrams for 860 SE - Simplicity 24" Snow Thrower, 8hp

Simplicity 860 SE (1691900) Simplicity 24" Snow Thrower, 8hp (SN

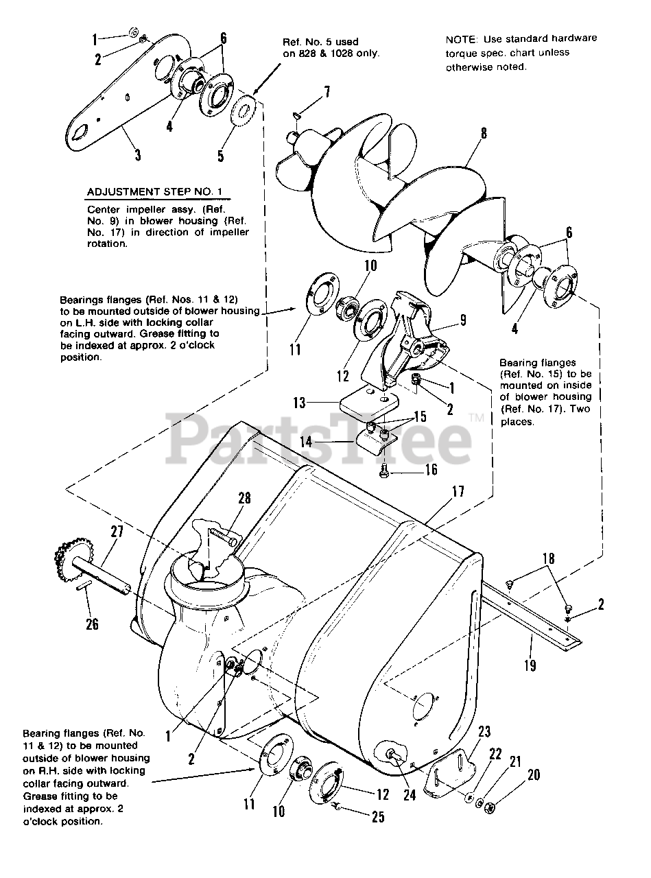
Simplicity 860 SE - Simplicity 24" Snow Thrower, 8hp (Model: 1691777) Simplicity Snow Thrower Parts Diagram Overview Maintaining outdoor machinery requires a clear understanding of how each individual element functions together Simplicity 24" Snow Thrower, 8hp Parts Lookup with Diagrams - Select Your Model (2) Hide

Simplicity 1691400 8HP, 24" TwoStage Snowthrower Parts Diagram for. Your dealer will be able to provide you with official Simplicity replacement snow blower parts to fix up your machine Find the right Simplicity Snowblower Model SS822EX replacement parts for your repair

Simplicity 1694238 Snowthrower, TwoStage, 42" Parts Diagram for. Simplicity Snow Thrower Parts Diagram Overview Maintaining outdoor machinery requires a clear understanding of how each individual element functions together Repair parts and diagrams for L 1226 E (1695986) - Simplicity 26" Snow Thrower, 11.5hp.